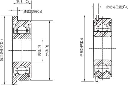
滾珠軸承各部分名稱與代號
各部分名稱
滾珠軸承的零件及各部分名稱。


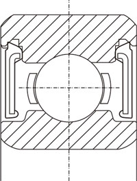
保持器
滾珠軸承的保持架分為以下幾種:
波形保持器(B) 用2個不銹鋼板沖壓成形的零件組合裝配而成。
裝配時2個零件呈合抱滾珠狀,其中的一個零件上有伸出的卡扣將另一個零件卡牢。

冠形保持器(G) 用不銹鋼板沖壓加工成冠狀的零件。

塑膠保持器(S) 用聚縮醛等塑膠材料制成的保持器,有利于增長使用壽命和減小噪音。

選用時請與本公司聯(lián)系。
防塵蓋、塑膠蓋
卡環(huán)蓋 記號: zz
適用于DH稱呼
其構(gòu)造是用彈簧圖卡住金屬防塵蓋。
壓緊蓋 記號: CC或TT
適用于DH稱呼
記號: zz
其構(gòu)造是金屬防塵蓋壓緊在外輪上。
塑膠蓋非接觸式 記號: 2RS
適用于DH稱呼
其構(gòu)造是將橡膠密封圈嵌入外輪。
塑膠蓋接觸式 記號:SS
適用于DH稱呼
其構(gòu)造是將橡膠密封圈嵌入外輪。
相關(guān)鏈接:微型軸承